Parts Search
575 North Route 73, Ste C2
West Berlin, NJ 08091

Tel: 1-856-809-2796
Categories

Vehicle Diagrams
ATV, Scooter and DB Parts
Full Size Scooter parts

Scan QR Code with Smartphone

http://www.fancyscooters.com

To load this site!


Scooters & Parts Search
  BY SKU:

  BY PRICE:
from to

  BY KEYWORDS:

  BY CATEGORY:

Payment Methods

Pay To: paypal@ddserv.net

Track Your Order
FedEx UPS Estes
USPS Yellow OD

Other Links
Gas Scooter User Manual
Electric Scooter User Manual
Scooter Maintenance
Scooter Safety Rules
Scooter Law by State
US/Metric Units Convertion

Link Exchange
Success Industrial Company
Dynamic Data Services
ACOI Management System




Designed By

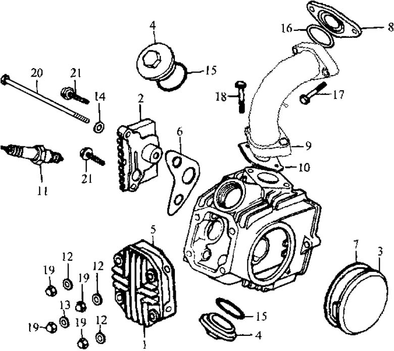
CYLINDER HEAD COVER/INLET PIPE


Num.Man. SKUItem NameQtyDetails
1 100.12106 Cylinder cover1 FSI Part Links
2 100.12110 Cylinder R. cover1 FSI Part Links
3 100.12108 Cylinder L. cover1 FSI Part Links
4 100.12112 Valve cover2 FSI Part Links
5 100.12107 Gasket, cylinder cover1 FSI Part Links
6 100.12111 Gasket, cylinder R. cover1 FSI Part Links
7 100.12109 Gasket, cylinder L. cover1 FSI Part Links
8 100.12006 Carburetor gasket1 FSI Part Links
9 SSJ0E(0)075000 Inlet piece1 FSI Part Links
10 100.12020 Inlet piece gasket1 FSI Part Links
11 GB7825 Spark plug1 FSI Part Links
12 100.12010 Washer 6.5x12.5x23 FSI Part Links
13 100.12011 Washer 6.5x12.5x21 FSI Part Links
14 100.12009 Washer6.5x13x1.51 FSI Part Links
15 100.12113 O-ring 30x32 FSI Part Links
16 100.12004 O-ring 25x2.51 FSI Part Links
17 GB5787 Bolt2 FSI Part Links
18 GB5787 Bolt2 FSI Part Links
19 100.12007 Nut M64 FSI Part Links
20 100.12008 Bolt M6x1101 FSI Part Links
21 GB5787 Bolt2 FSI Part Links

Recently we have found some companies copy the pictures and text, especially from the scooter parts section of this website without our permission, these are copyrighted materials, and we reserve the right, at our discretion, to take necessary legal action against copyright infringement on this site!

Home | Dealers | Login | FAQ | Policies | Products | About Us | Contact Us | Order Form | Testimonials | In Fox News...

Copyright © 2012 Fancy Scooters
575 North Route 73, Suite C2, West Berlin, NJ 08091, USA
Tel: 856-809-2796