Parts Search
575 North Route 73, Ste C2
West Berlin, NJ 08091

Tel: 1-856-809-2796
Categories

Vehicle Diagrams
ATV, Scooter and DB Parts
Full Size Scooter parts

Scan QR Code with Smartphone

http://www.fancyscooters.com

To load this site!


Scooters & Parts Search
  BY SKU:

  BY PRICE:
from to

  BY KEYWORDS:

  BY CATEGORY:

Payment Methods

Pay To: paypal@ddserv.net

Track Your Order
FedEx UPS Estes
USPS Yellow OD

Other Links
Gas Scooter User Manual
Electric Scooter User Manual
Scooter Maintenance
Scooter Safety Rules
Scooter Law by State
US/Metric Units Convertion

Link Exchange
Success Industrial Company
Dynamic Data Services
ACOI Management System




Designed By

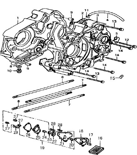
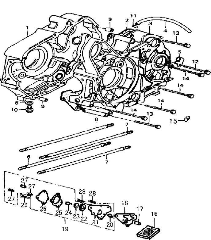
CRANKCASE


Num.Man. SKUItem NameQtyDetails
1 110.11200-3 CRANKCASE COMP., R.1 FSI Part Links
2 110.11001 GASKET, CRANKCASE1 FSI Part Links
3 110.11100 CRANKCASE COMP., L.1 FSI Part Links
4 100.11008 TUBE, BREATHER, 5x3201 FSI Part Links
5 100.11007 CLIP, TUBE1 FSI Part Links
6 110.11005 Bolt A, M6x1942 FSI Part Links
7 110.11006 Bolt B, M6x2022 FSI Part Links
8 100.11012 Washer 12x20x21 FSI Part Links
9 100.11004 PIN 10x142 FSI Part Links
10 100.11011 Bolt, drain plug1 FSI Part Links
11 100.11009 Lock ring1 FSI Part Links
12 GB5787 Bolt M6x501 FSI Part Links
13 GB5787 Bolt M6x602 FSI Part Links
14 GB5787 Bolt M6x654 FSI Part Links
15 100.11013 Clip1 FSI Part Links
16 100.11002 Fillter screen assy.1 FSI Part Links
17 100.15003 Bush, sprocket1 FSI Part Links
18 100.15001 Gasket, oil pump1 FSI Part Links
19 100.15100 Oil pump comp.1 FSI Part Links
20 100.15107 Bush, oil pump1 FSI Part Links
21 100.15101 Oil pump body1 FSI Part Links
22 100.15105 Outer rotor, oil pump1 FSI Part Links
23 100.15104 Inner rotor, oil pump1 FSI Part Links
24 100.15106 Oil pump shaft1 FSI Part Links
25 100.15103 Gasket, oil pump cover1 FSI Part Links
26 100.15102 Oil pump cover1 FSI Part Links
27 GB818 Screw M5x103 FSI Part Links
27 GB859-76 Washer 53 FSI Part Links
28 GB818 Bolt M6x162 FSI Part Links
29 GB818 Bolt M6x221 FSI Part Links
30 DJ100.23500 Limit set1 FSI Part Links

Recently we have found some companies copy the pictures and text, especially from the scooter parts section of this website without our permission, these are copyrighted materials, and we reserve the right, at our discretion, to take necessary legal action against copyright infringement on this site!

Home | Dealers | Login | FAQ | Policies | Products | About Us | Contact Us | Order Form | Testimonials | In Fox News...

Copyright © 2012 Fancy Scooters
575 North Route 73, Suite C2, West Berlin, NJ 08091, USA
Tel: 856-809-2796