Parts Search
575 North Route 73, Ste C2
West Berlin, NJ 08091

Tel: 1-856-809-2796
Categories

Vehicle Diagrams
ATV, Scooter and DB Parts
Full Size Scooter parts

Scan QR Code with Smartphone

http://www.fancyscooters.com

To load this site!


Scooters & Parts Search
  BY SKU:

  BY PRICE:
from to

  BY KEYWORDS:

  BY CATEGORY:

Payment Methods

Pay To: paypal@ddserv.net

Track Your Order
FedEx UPS Estes
USPS Yellow OD

Other Links
Gas Scooter User Manual
Electric Scooter User Manual
Scooter Maintenance
Scooter Safety Rules
Scooter Law by State
US/Metric Units Convertion

Link Exchange
Success Industrial Company
Dynamic Data Services
ACOI Management System




Designed By

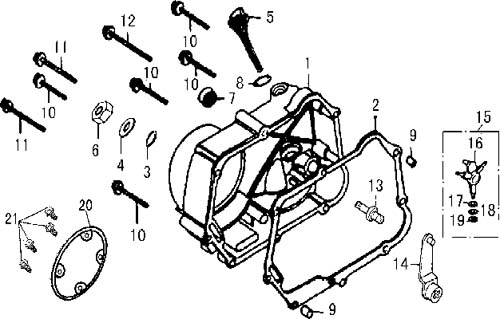
RIGHT CRANKCASE COVER


Num.Man. SKUItem NameQtyDetails
1 C100.11401-2 R.crankcase cover1 FSI Part Links
2 100.11019 Gasket, R.crankcase cover1 FSI Part Links
3 100.12026O O-ring 7x21 FSI Part Links
4 C100.21022 Washer 8.5x16x21 FSI Part Links
5 100.11402 Gauge oil lever1 FSI Part Links
6 GB6170 Nut M81 FSI Part Links
7 100.11409 Oil seal13.7x24x51 FSI Part Links
8 100.11403O O-ring 18x31 FSI Part Links
9 100.11020 Pin 8x121 FSI Part Links
10 GB5787 Bolt M6x405 FSI Part Links
11 GB5787 Bolt M6x852 FSI Part Links
12 GB5787 Bolt M6x651 FSI Part Links
13 C100.21013 Adjuster bolt, clutch1 FSI Part Links
14 C100.23200A Control arm, gearshift1 FSI Part Links
15 C100.21400 Clutch handspike assy.1 FSI Part Links
16 C100.21401 Clutch handspike body1 FSI Part Links
17 C100.21402 Roller3 FSI Part Links
18 GB97.1 Washer3 FSI Part Links
19 GB896 Circlip3 FSI Part Links
20 100.11023-2 Name cover1 FSI Part Links
21 GB5787 Bolt M6x144 FSI Part Links

Recently we have found some companies copy the pictures and text, especially from the scooter parts section of this website without our permission, these are copyrighted materials, and we reserve the right, at our discretion, to take necessary legal action against copyright infringement on this site!

Home | Dealers | Login | FAQ | Policies | Products | About Us | Contact Us | Order Form | Testimonials | In Fox News...

Copyright © 2012 Fancy Scooters
575 North Route 73, Suite C2, West Berlin, NJ 08091, USA
Tel: 856-809-2796