Parts Search
575 North Route 73, Ste C2
West Berlin, NJ 08091

Tel: 1-856-809-2796
Categories

Vehicle Diagrams
ATV, Scooter and DB Parts
Full Size Scooter parts

Scan QR Code with Smartphone

http://www.fancyscooters.com

To load this site!


Scooters & Parts Search
  BY SKU:

  BY PRICE:
from to

  BY KEYWORDS:

  BY CATEGORY:

Payment Methods

Pay To: paypal@ddserv.net

Track Your Order
FedEx UPS Estes
USPS Yellow OD

Other Links
Gas Scooter User Manual
Electric Scooter User Manual
Scooter Maintenance
Scooter Safety Rules
Scooter Law by State
US/Metric Units Convertion

Link Exchange
Success Industrial Company
Dynamic Data Services
ACOI Management System




Designed By

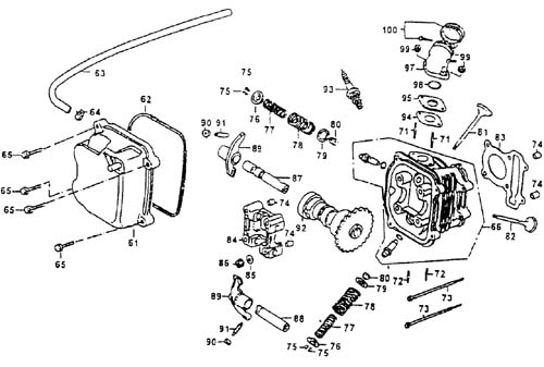
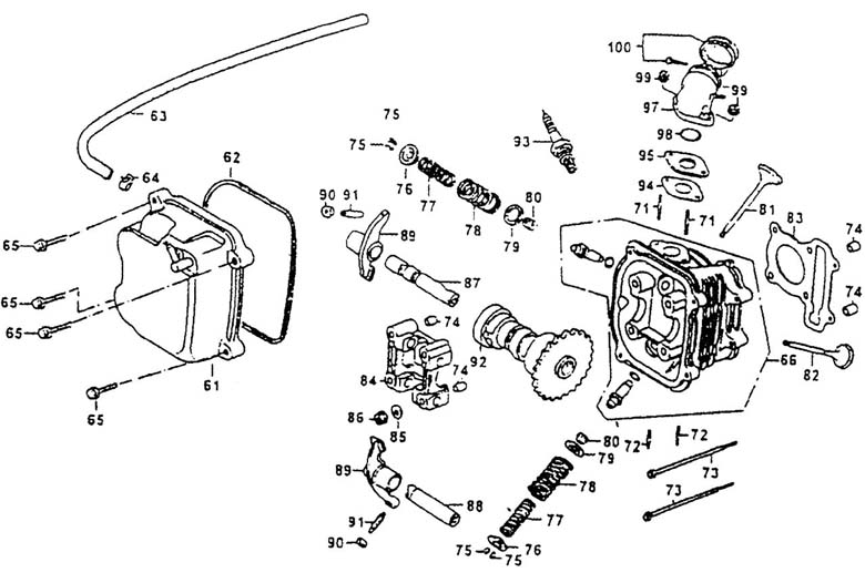
CYLINDER HEAD COVER .CYLINDER HEAD


Num.Man. SKUItem NameQtyDetails
61 10123100-00GY6-009010 Cover comp head1 FSI Part Links
62 10123910-00GY6-009000 Gasket head cover1 FSI Part Links
63 10112110-00GY6-009000 Tube breather1 FSI Part Links
64 10950020-0280-000000 Clip B8 chanmber tube1 FSI Part Links
65 10957010-06025-000008 Bolt flange3 FSI Part Links
66 10122000-00GY6-009010 Head comp cylinder1 FSI Part Links
71 10929000-06050-00000B Bolt stud 6x502 FSI Part Links
72 10900330-00GY6-009000 Bolt stud 8x322 FSI Part Links
73 10960010-06100-000008 Bolt flange 6x1002 FSI Part Links
74 10943010-10160-000000 Dowel pin 10x164 FSI Part Links
75 10147810-00MA6-000000 Cotter valve4 FSI Part Links
76 10147710-00GB4-006800 Retainer valve spring2 FSI Part Links
77 10147610-00GN5-009110 Spring valve inner2 FSI Part Links
78 10147510-00GN5-009110 Spring valve outer2 FSI Part Links
79 10147750-00MA6-000000 Seat valve SPG outer2 FSI Part Links
80 10122090-00GB4-006810 Seal valve stem2 FSI Part Links
81 10147210-00GY6-009000 Valve exhaust1 FSI Part Links
82 10147110-00GY6-009000 Valve inlet1 FSI Part Links
83 10122510-00GY6-009000 Gasket cylinder head1 FSI Part Links
84 10122110-00KDU-009000 Holder cam shaft1 FSI Part Links
85 10904650-00MC4-000000 Washer 8MM4 FSI Part Links
86 10940500-08080-00000 Nut flange 8MM4 FSI Part Links
87 10141500-00GY6-009000 Shaft comp IN rocker arm1 FSI Part Links
88 10144520-00GY6-009000 Shaft exhaust rocker arm1 FSI Part Links
89 10144310-00GY6-009010 Arm valve rocker2 FSI Part Links
90 10902060-00001-000000 Nut tappet adjusting2 FSI Part Links
91 1000012-00333-000000 Screw tappet adjusting2 FSI Part Links
92 1014100-00GY6-002000 Shaft comp cam1 FSI Part Links
93 10980560-5771R-000000 Spark plug1 FSI Part Links
94 10162010-00GY6-009000 Gasket cylinder head1 FSI Part Links
95 10162110-00GY6-009000 Insulator carb1 FSI Part Links
97 10171100-00GY6-009020 Pipe comp inlet1 FSI Part Links
98 10913010-00028-000000 O-ring 27x21 FSI Part Links
99 10940500-06080-000000 Nut flange 6MM2 FSI Part Links
100 10172560-00GY6-009010 Band insulator1 FSI Part Links

Recently we have found some companies copy the pictures and text, especially from the scooter parts section of this website without our permission, these are copyrighted materials, and we reserve the right, at our discretion, to take necessary legal action against copyright infringement on this site!

Home | Dealers | Login | FAQ | Policies | Products | About Us | Contact Us | Order Form | Testimonials | In Fox News...

Copyright © 2012 Fancy Scooters
575 North Route 73, Suite C2, West Berlin, NJ 08091, USA
Tel: 856-809-2796